Hello,

I'm  

Understanding Engineering through every lense

Portfolio Timeline Contact
profile-pic
MAIN INFO

About me

experience education
May 2026

President

Embedded Systems @ Purdue

Leading the embedded systems student org — organizing projects, mentoring members, and overseeing technical direction across the team.

Top Level Diagram
February 2026

Undergraduate Researcher

ARIES Lab – Autonomous Robotics & Intelligent Engineering Systems

Working on autonomous embedded systems research and building a CNN-based classifier for insect identification using ROS2, C++, and Python.

January 2026

Undergraduate Researcher

Herrick Laboratories – Embedded Thermal Sensing

Developing interconnection strategies for printed polymer composites for temperature sensing. Fabricated composite laminates using conductive filament, ran FEA thermal and stress models, and reviewed 100+ papers contributing to a state-of-the-art survey on memory-enabled sensing materials.

January 2026

Undergraduate Researcher

SMART MAT – Aircraft Structural Health Monitoring

Developing embedded firmware for an ATmega328P to wirelessly transmit real-time resistivity data via NRF24L01. Designing carbon filament-based sensors for stress, strain, and structural damage detection — and fabricated 15 CNF-modified PLA composite dogbone specimens to characterize electrical resistivity.

August 2025

Firmware Engineer

Embedded Systems @ Purdue

Building a hardware-in-the-loop test system for UAV's — writing drivers for LIDAR, hover control, and sensor input on ESP32 with Zephyr RTOS Top Level Diagram

August 2025 - December 2025

Software + Hardware Engineer

Purdue Undergraduate Rocket Propulsion Laboratory

Built the monitoring and control software for Maelstrom, a 500-lbf kerosene-LOX rocket engine — real-time sensor acquisition, valve control, and emergency shutdown, all integrated through a P&ID interface Piping and Instrumentation Diagram Program

May 2024 - July 2024

Cybersecurity Intern

Arizona State University

Conducted fuzz testing on open-source applications including FFmpeg and Calibre using AFL++ and Snapchange, analyzing code coverage and application behavior to identify potential vulnerabilities. Poster Arman presenting to peer interns

2025 - 2028

Current Student - Purdue University

B.S. in Electrical Engineering
Concurrently serving as President of Embedded Systems @ Purdue and working as a researcher across three labs

2021 - 2025

Graduated Arizona College Prep High School

Graduated Summa Cum Laude (4.83/4.00 GPA)
Speech & Debate Team - 2nd, Scottsdale Prep BQ Debate
Computer Science CTSO Social Media Manager
FBLA - 3rd Parliamentary Procedure; 2nd UX Design

portfolio

Latest Works

All
portfolio view project

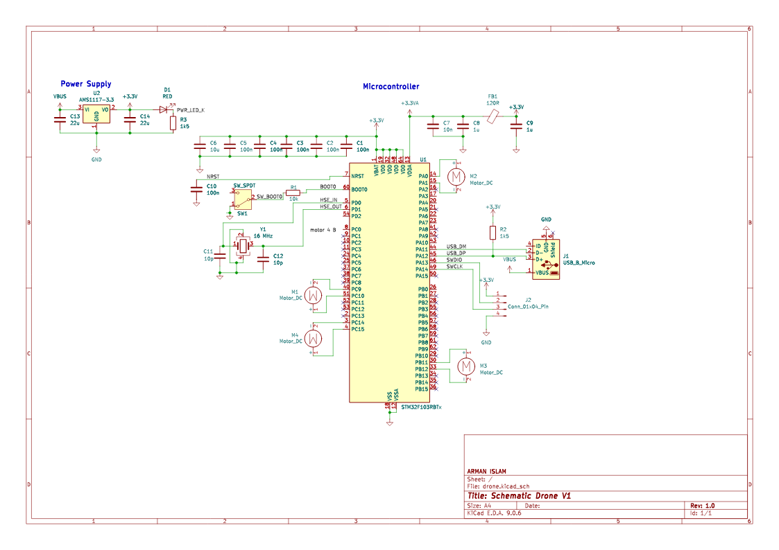
Baremetal Drone

Project brief:

Over the summer of 2025 I worked on a project to create a drone. I had three options, to do this with Arduino, use existing HAL/STM Drivers, or to do the whole project from scratch AKA Baremetal. I decided to do baremetal to get more familarity with how microcontrollers work. All the drivers and code for this project is written by me excped for the linker script.

Project info

portfolio View Project

Rocket Monitoring & Control Program

Project Brief:

Piping and Instrumentation Diagrams (P&IDs) are detailed schematic representations of fluid systems that illustrate the relationships between piping, valves, sensors, actuators, and control elements. P&IDs are critically important because they act as the source of information for system design and operation when on field. In other words, they allow us to verify valve sequencing, sensor coverage, and safety mechanisms before and during hardware is deployed.

In the context of the Maelstrom project, a 500-lbf kerosene/LOX heat-sink rocket engine, I developed a P&ID-based software program to represent the engine’s propellant feed and control architecture. The diagram captured LOX and kerosene supply lines, pneumatic and solenoid valves, pressure and temperature sensors. This P&ID served as the foundation for integrating sensor acquisition, valve control logic, and system feedback during engine development and testing.

For example, through this application, if the team sees unstable pressure or results that seem abnormal, we can press the emergency shutdown to place the system in a safe state. Or if our test is safe and we follow through, but the test produces unexpected results, we can look at the generated graphs to identify which valve or solenoid could have been the cause for the result.

The P&ID program was integrated with a LabJack control device, which acted as the interface between the software and the hardware. The LabJack driver handled analog inputs from pressure and temperature sensors and digital outputs to control valves, and I utilized the sensor feedback to monitor system state, validate control logic, and support safe engine operation.

Project info

portfolio view project

ARIES Lab - Research Intern

Project brief:

The Autonomous Robotics and Intelligent Engineering Systems (ARIES) Lab at Purdue University. Currently I am working on a classifier for insects.

portfolio view project

UAV Hardware in the Loop System

Project brief:

drone flight hardware-in-the-loop simulation system. Essentially: make the drone think it is flying before you risk your hardware.


DUT: the drone itself. The subteam is building flight controller software.
HIL node: the deterministic injection system that simulates the DUT's sensors using the simulation's outputs.
Flight Sim: The physics simulation that generates sensor outputs for the DUT under specified physical scenarios.
Test Automation: The front-end interface for user interaction with the HIL system.

Information

  • Date - 2025 Fall - Current
  • Tools - Git, C, Zephyr, protobuf
portfolio view project

ASU Cybersecurity Fuzzing

Research Description:

During the Summer of 2024, I conducted cybersecurity research at Arizona State University on fuzz testing, a technique used to discover vulnerabilities in computer software and systems. My responsibility was to apply coverage guided fuzzing to identify bugs and potential security flaws in open source applications including FFmpeg, MPV, libexif, Jellyfin Media Server, and Calibre’s.

I worked with multiple input corpuses and fuzzing strategies using AFL++ and Snapchange, leveraging gcov and lcov to analyze code coverage to guide input generation. If I was to find a crash, GDB was to be used for the analysis. Additionally, low-level Linux debugging and application behavior analysis were used to assess exploitability, skills I developed throughout the internship.

At the end of the internship, I presented my findings and learning outcomes in a poster session to fellow interns and PhD researchers. under this add a problems section and how i solved them.

  • Date - 2024 Summer
  • Tools - C, Rust, Linux, AFL++, Snapchange
  • Mentor/Manager - Alireza Karimi
portfolio view project

Herrick Laboratories - Embedded Thermal Sensing

Project brief:

Research Intern at Herrick working on embedded thermal sensing in AM Manufacturing processes.

portfolio view project

SMART MAT: Self-Sensing Materials and Aircraft Structural Health Monitoring

Project brief:

Designing carbon filament-based sensors embedded in aircraft structures for stress, strain, and damage detection. Built firmware for an ATmega328P with wireless NRF24L01 data transmission and fabricated 15 CNF-PLA composite specimens to characterize resistivity.

Information

contact

Get In Touch

Phone

+1 480 492 8888

Email Address

islam149@purdue.edu

Address

Arizona

Drone Baremetal Project

Category - Embedded Systems

Project brief:

Lorem ipsum dolor, sit Lorem ipsum dolor sit amet consectetur adipisicing elit. Quidem perferendis corporis culpa! amet consectetur adipisicing elit. Hic doloribus labore assumenda nostrum commodi. Officia. Lorem ipsum dolor sit amet consectetur adipisicing elit. Incidunt.

Project info

Project Details
×
img
1 of 6

Theme Color